WH圆弧齿涡轮蜗杆减速机产品特点:
本系列WH圆弧齿涡轮蜗杆减速机符合部颁标准JB2318—79,圆弧圆柱蜗杆传动,也称为曲纹面圆柱蜗杆传动,齿形为凸凹面共轭的型式,其中蜗杆为凹面,蜗轮为凸面,蜗杆齿廓为圆弧形,代号为ZC蜗杆。
本产品具有承载能力大,传动效率高,输出扭矩大,工作平稳,寿命长,体积小等特点,广泛应用于冶金、矿山、起重、化工、建筑等行业,其工作环境为—40℃~+40℃。输入轴转数不大于1500转/分,高速轴可正反运转。
种类
1、本机结构为单级,包括以下四种:
(1) WHT 通用型
(2) WHX 蜗杆在下型
(3) WHS 蜗杆在上型
(4) WHC 蜗杆在侧型
2、中心矩A mm
本系列规定为42、65、80、100、120、125、150、160、180、200、210、250、280、300、320、360、400、420、450、500共十三种。
3、公称传动比
本系列为8、10、12.5、16、20、25、31.5、40、50共九种。
4、装配形式
用罗马数字Ⅰ、Ⅱ、Ⅲ……表示,带风扇的在后面加“F”
标记示例:

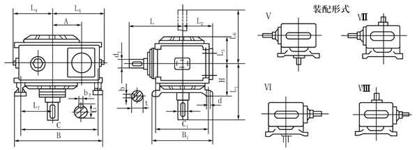
WHT圆弧齿涡轮蜗杆减速机安装型式及尺寸:
WHT型I—IV式
WHT型Ⅴ-Ⅷ式 安装尺寸
|
型号
尺寸
|
A
|
B
|
B1
|
C
|
C1
|
H
|
L
|
L1
|
L2
|
L3
|
L4
|
L5
|
L6
|
L7
|
d
|
d1(gc1)
|
d2(gc1)
|
b
|
b1
|
t
|
t1
|
重量/kg
|
|
WHT42
|
42
|
164
|
135
|
140
|
115
|
66.5
|
120
|
98
|
75
|
53
|
62
|
103
|
98
|
46
|
M8
|
16
|
20
|
6
|
6
|
18.5
|
22.5
|
8
|
|
WHT65
|
65
|
205
|
180
|
177
|
160
|
78
|
144
|
134
|
96
|
63
|
90
|
110
|
134
|
77
|
M8
|
20
|
25
|
6
|
8
|
22.5
|
28
|
16
|
|
WHT80
|
80
|
260
|
240
|
220
|
208
|
105
|
175
|
170
|
113
|
85
|
106
|
157
|
170
|
166
|
M10
|
25
|
35
|
8
|
10
|
27.5
|
37.8
|
27~28
|
|
WHT100
|
100
|
313
|
290
|
268
|
250
|
118
|
210
|
207
|
133
|
95
|
129
|
190
|
207
|
192
|
M12
|
30
|
45
|
8
|
14
|
32.5
|
48.2
|
42~44
|
WHT、WHX、WHS、WHC圆弧齿涡轮蜗杆减速机输入功率:
减速机输入功率
|
传动比
代号
|
公称
传动比
|
型号
|
WHT
|
WHX WHC
|
||||||||||||||||
|
输入转速
r/min
|
中心距
|
|||||||||||||||||||
|
80
|
100
|
120
|
125
|
150
|
160
|
180
|
200
|
210
|
250
|
280
|
300
|
320
|
360
|
400
|
420
|
450
|
500
|
|||
|
1
|
8
|
1500
|
2.5
|
4.5
|
7.8
|
10.1
|
14.4
|
19.9
|
22.5
|
29.8
|
34.1
|
46.1
|
54.4
|
84.7
|
70.4
|
87.1
|
110
|
185.2
|
—
|
—
|
|
1000
|
2.1
|
3.9
|
5.7
|
8.0
|
10.6
|
16.1
|
16.5
|
24.7
|
24.8
|
47.1
|
50.5
|
61.8
|
64.4
|
80.5
|
103
|
134.5
|
128
|
163
|
||
|
750
|
1.9
|
3.5
|
4.6
|
6.6
|
8.1
|
13.4
|
12.9
|
20.8
|
19.5
|
35.6
|
44.3
|
50.1
|
57.9
|
73.8
|
94.6
|
105.6
|
119
|
154
|
||
|
500
|
1.5
|
2.9
|
3.3
|
5.0
|
6.6
|
10.3
|
9.2
|
16.1
|
13.9
|
27.8
|
35.1
|
35.3
|
45.3
|
59.6
|
77.7
|
73.1
|
101
|
133
|
||
|
2
|
10
|
1500
|
2.0
|
3.8
|
6.9
|
9.4
|
13.2
|
16.4
|
20.5
|
26.7
|
32.0
|
39.7
|
48.2
|
77.3
|
59.8
|
76.2
|
97.3
|
165.4
|
—
|
—
|
|
1000
|
1.7
|
3.3
|
4.9
|
7.4
|
9.4
|
13.2
|
14.6
|
22.4
|
22.5
|
34.1
|
41.6
|
54.5
|
53.8
|
68.8
|
88.6
|
116.4
|
111
|
146
|
||
|
750
|
1.5
|
2.9
|
3.9
|
6.1
|
7.5
|
11.1
|
11.5
|
19.1
|
17.8
|
29.3
|
36.3
|
44.1
|
47.6
|
61.2
|
79.1
|
91.3
|
98.5
|
131
|
||
|
500
|
1.3
|
2.4
|
2.8
|
4.7
|
5.4
|
8.5
|
8.5
|
14.7
|
12.6
|
23.1
|
28.8
|
31.1
|
37.7
|
49.2
|
64.8
|
63.7
|
82.5
|
111
|
||
|
3
|
12.5
|
1500
|
1.6
|
2.8
|
5.7
|
8.1
|
10.2
|
14.9
|
16.7
|
20.0
|
25.7
|
32.9
|
43.1
|
60.4
|
61.6
|
73.2
|
89.3
|
136.9
|
—
|
—
|
|
1000
|
1.4
|
2.4
|
4.2
|
6.3
|
7.4
|
11.9
|
12.3
|
16.2
|
18.6
|
27.6
|
37.5
|
43.3
|
53.5
|
65.8
|
80.5
|
97.0
|
105
|
127
|
||
|
750
|
1.2
|
2.1
|
3.4
|
5.2
|
6.1
|
10.0
|
9.7
|
13.5
|
14.7
|
23.4
|
32.7
|
34.9
|
46.5
|
58.8
|
71.8
|
75.6
|
95.3
|
116
|
||
|
500
|
1.0
|
1.7
|
1.3
|
3.9
|
4..3
|
7.6
|
7.1
|
10.4
|
10.7
|
18.2
|
25.6
|
24.2
|
36.1
|
47.0
|
57.4
|
52.0
|
78.2
|
96.8
|
||
|
4
|
16
|
1500
|
1.6
|
3.0
|
4.7
|
6.5
|
8.8
|
12.8
|
14.2
|
19.2
|
21.8
|
29.9
|
35.6
|
54.3
|
46.0
|
62.7
|
71.9
|
123.3
|
—
|
—
|
|
1000
|
1.3
|
2.7
|
3.5
|
5.1
|
6.7
|
10.3
|
10.4
|
15.8
|
15.7
|
26.3
|
32.1
|
39.7
|
41.0
|
52.0
|
66.5
|
87.2
|
83.4
|
106
|
||
|
750
|
1.2
|
2.3
|
2..8
|
4.3
|
5.5
|
8.6
|
8.3
|
13.4
|
12.5
|
22.7
|
27.9
|
31.6
|
36.5
|
47.1
|
60.8
|
68.7
|
76.7
|
99.6
|
||
|
500
|
1.0
|
1.9
|
2.1
|
3.3
|
4.0
|
6.6
|
6.1
|
10.3
|
9.0
|
17.7
|
22.3
|
22.6
|
28.7
|
37.4
|
49.0
|
70.6
|
63.3
|
84.2
|
||
|
5
|
20
|
1500
|
1.3
|
2.2
|
4.0
|
6.0
|
7.1
|
10.3
|
12.6
|
15.5
|
18.4
|
25.0
|
33.1
|
44.8
|
41.3
|
49.1
|
69.4
|
103.0
|
—
|
—
|
|
1000
|
1.1
|
1.9
|
3.0
|
4.8
|
5.2
|
8.1
|
10.3
|
12.5
|
13.3
|
21.3
|
29.1
|
32.5
|
37.2
|
44.2
|
61.9
|
73.9
|
64.9
|
81.2
|
||
|
750
|
1.0
|
1.6
|
2.4
|
3.9
|
4.2
|
6.7
|
7.3
|
10.5
|
10.5
|
18.1
|
25.3
|
25.6
|
31.3
|
38.6
|
55.5
|
57.2
|
58.0
|
73.2
|
||
|
500
|
0.8
|
1.3
|
1.8
|
3.0
|
3.1
|
5.2
|
5.3
|
8.1
|
7.7
|
14.1
|
19.9
|
18.6
|
24.5
|
30.4
|
44.2
|
39.6
|
46.2
|
59.7
|
||
|
6
|
25
|
1500
|
1.0
|
1.9
|
3.4
|
4.6
|
5.9
|
8.4
|
10.1
|
14.3
|
16.1
|
20.8
|
24.7
|
35.0
|
34.8
|
43.4
|
50.9
|
87.4
|
—
|
—
|
|
1000
|
0.8
|
1.7
|
2.5
|
3.6
|
4.4
|
6.5
|
7.4
|
11.5
|
11.7
|
16.8
|
20.4
|
25.6
|
29.5
|
38.3
|
45.6
|
61.0
|
63.1
|
71.4
|
||
|
750
|
0.7
|
1.4
|
2.1
|
2.9
|
3.5
|
5.4
|
5.9
|
9.6
|
9.2
|
14.1
|
17.2
|
20.5
|
25.1
|
32.8
|
39.9
|
47.6
|
56.1
|
63.6
|
||
|
500
|
0.6
|
1.2
|
1.5
|
2.2
|
2.5
|
4.2
|
4.3
|
7.4
|
6.6
|
10.9
|
13.5
|
14.8
|
19.5
|
25.8
|
31.4
|
32.8
|
44.7
|
50.5
|
||
|
7
|
31.5
|
1500
|
1.2
|
2.1
|
2.8
|
4.4
|
5.4
|
8.6
|
8.2
|
12.8
|
12.6
|
19.8
|
23.2
|
34.9
|
30.2
|
37.1
|
46.9
|
73.4
|
—
|
—
|
|
1000
|
1.0
|
1.8
|
2.0
|
3.5
|
3.9
|
6.9
|
6.1
|
10.5
|
9.2
|
17.4
|
21.2
|
25.6
|
26.6
|
33.9
|
43.3
|
51.9
|
54.4
|
68.5
|
||
|
750
|
0.9
|
1.6
|
1.7
|
2.9
|
3.2
|
5.8
|
4.9
|
8.9
|
7.4
|
15.1
|
18.3
|
20.1
|
23.9
|
30.7
|
39.5
|
40.7
|
50.0
|
64.5
|
||
|
500
|
0.7
|
1.4
|
1.2
|
2.3
|
2.4
|
4.5
|
3.5
|
7.0
|
5.4
|
11.8
|
14.6
|
14.6
|
18.9
|
24.5
|
32.0
|
27.7
|
41.1
|
54.6
|
||
|
8
|
40
|
1500
|
0.9
|
1.5
|
2.4
|
4.1
|
4.1
|
6.9
|
7.3
|
10.5
|
10.6
|
16.8
|
22.0
|
25.8
|
27.3
|
32.4
|
45.5
|
64.1
|
—
|
—
|
|
1000
|
0.8
|
1.3
|
1.8
|
3.2
|
3.1
|
5.5
|
5.4
|
8.4
|
7.9
|
14.2
|
19.4
|
18.8
|
24
|
28.9
|
40.8
|
44.7
|
42.2
|
52.8
|
||
|
750
|
0.7
|
1.2
|
1.5
|
2.7
|
2.5
|
4.6
|
4.4
|
7.1
|
6.2
|
12.0
|
16.7
|
15.4
|
20.7
|
25.4
|
36.2
|
35.7
|
37.8
|
47.8
|
||
|
500
|
0.6
|
1.0
|
1.1
|
2.1
|
1.8
|
3.6
|
3.2
|
5.5
|
4.7
|
9.5
|
13.2
|
10.8
|
16.3
|
20.3
|
29.0
|
25.1
|
30.3
|
39.0
|
||
|
9
|
50
|
1500
|
0.7
|
1.3
|
2.0
|
3.1
|
1.8
|
5.7
|
5.9
|
9.8
|
9.0
|
14.0
|
16.5
|
20.8
|
23.2
|
28.8
|
33.7
|
49.7
|
—
|
—
|
|
1000
|
0.6
|
1.2
|
1.4
|
2.5
|
3.5
|
4.5
|
4.3
|
7.8
|
6.7
|
11.4
|
13.8
|
15.0
|
19.5
|
25.3
|
30.0
|
35.5
|
41.7
|
47.0
|
||
|
750
|
0.5
|
1.0
|
1.2
|
2.0
|
2.3
|
3.7
|
3.5
|
6.7
|
5.4
|
9.5
|
11.7
|
12.3
|
16.8
|
21.8
|
26.3
|
28.1
|
37.4
|
41.8
|
||
|
500
|
0.4
|
0.8
|
0.9
|
1.6
|
1.5
|
2.9
|
2.6
|
5.2
|
4.0
|
7.5
|
9.1
|
8.7
|
13.1
|
17.2
|
21.1
|
19.7
|
29.8
|
38.3
|
||
WHT、WHX、WHS、WHC型圆弧齿蜗轮蜗杆减速机输出转矩:
|
传动比
代号
|
公
称
传
动
比
|
型号
|
WHT
|
WHX WHS WHC
|
||||||||||||||||
|
输入转速
r/min
|
中心距
|
|||||||||||||||||||
|
80
|
100
|
120
|
125
|
150
|
160
|
180
|
200
|
210
|
250
|
280
|
300
|
320
|
360
|
400
|
420
|
450
|
500
|
|||
|
1
|
8
|
1500
|
108
|
203
|
377
|
483
|
700
|
956
|
1104
|
1440
|
1667
|
2107
|
2430
|
4192
|
3253
|
4028
|
5106
|
9162
|
—
|
—
|
|
1000
|
138
|
261
|
410
|
565
|
764
|
1156
|
1205
|
1793
|
1803
|
2822
|
3381
|
4541
|
4469
|
5596
|
7164
|
9973
|
9261
|
11368
|
||
|
750
|
164
|
312
|
433
|
624
|
803
|
1284
|
1239
|
2009
|
1882
|
3254
|
3949
|
4857
|
5351
|
6831
|
8820
|
10345
|
11466
|
14308
|
||
|
500
|
196
|
374
|
465
|
702
|
852
|
1470
|
1318
|
2323
|
1983
|
3793
|
4665
|
5071
|
6243
|
8242
|
10780
|
10729
|
14406
|
18620
|
||
|
2
|
10
|
1500
|
117
|
220
|
410
|
535
|
793
|
909
|
1239
|
1490
|
1938
|
2381
|
2763
|
4733
|
3626
|
4635
|
5939
|
10120
|
—
|
—
|
|
1000
|
149
|
282
|
436
|
629
|
836
|
1098
|
1318
|
1891
|
2028
|
3077
|
3665
|
4947
|
4900
|
6292
|
8134
|
10695
|
10584
|
13524
|
||
|
750
|
175
|
333
|
458
|
696
|
879
|
1215
|
1363
|
2117
|
2107
|
3508
|
4243
|
5274
|
5782
|
7458
|
9673
|
11055
|
12446
|
16072
|
||
|
500
|
214
|
404
|
490
|
783
|
928
|
1401
|
1431
|
2430
|
2220
|
4106
|
5108
|
5522
|
6811
|
8938
|
11760
|
11439
|
15582
|
20286
|
||
|
3
|
12.5
|
1500
|
117
|
196
|
426
|
574
|
764
|
1088
|
1273
|
1490
|
1941
|
2460
|
3234
|
4620
|
4733
|
5547
|
6811
|
10469
|
—
|
—
|
|
1000
|
149
|
253
|
465
|
665
|
826
|
1294
|
1363
|
1803
|
2102
|
3087
|
4234
|
4924
|
6233
|
7487
|
9232
|
11134
|
12005
|
14602
|
||
|
750
|
172
|
291
|
490
|
727
|
879
|
1441
|
1431
|
1999
|
2186
|
3479
|
4910
|
5229
|
7154
|
8869
|
10947
|
11450
|
14524
|
17738
|
||
|
500
|
208
|
349
|
521
|
821
|
921
|
1627
|
1510
|
2293
|
2332
|
4038
|
5723
|
5409
|
8310
|
10584
|
13034
|
11675
|
17777
|
22050
|
||
|
4
|
16
|
1500
|
133
|
250
|
441
|
577
|
833
|
1156
|
1352
|
1744
|
2073
|
2597
|
3028
|
5263
|
4067
|
5586
|
6409
|
10898
|
—
|
—
|
|
1000
|
172
|
327
|
483
|
669
|
935
|
1382
|
1476
|
2156
|
2220
|
3420
|
4106
|
5668
|
5459
|
6938
|
8918
|
12554
|
11564
|
14308
|
||
|
750
|
198
|
379
|
512
|
749
|
992
|
1539
|
1532
|
2411
|
2325
|
3910
|
4724
|
5928
|
6458
|
8369
|
10878
|
13050
|
14210
|
17934
|
||
|
500
|
238
|
454
|
552
|
844
|
1053
|
1744
|
1634
|
2764
|
2456
|
4537
|
5606
|
6311
|
7546
|
9898
|
13049
|
13411
|
17444
|
22540
|
||
|
5
|
20
|
1500
|
128
|
218
|
465
|
670
|
826
|
1147
|
1476
|
1656
|
2152
|
2695
|
3597
|
5364
|
4724
|
5684
|
7693
|
12340
|
—
|
—
|
|
1000
|
166
|
282
|
507
|
794
|
898
|
1352
|
1589
|
2009
|
2322
|
3440
|
4763
|
5781
|
6586
|
7683
|
10319
|
13129
|
11388
|
14308
|
||
|
750
|
190
|
322
|
529
|
849
|
950
|
1480
|
1645
|
2234
|
2400
|
3881
|
5468
|
6006
|
7370
|
8918
|
12270
|
13433
|
13573
|
17248
|
||
|
500
|
229
|
387
|
579
|
959
|
1006
|
1676
|
1758
|
2548
|
2558
|
4469
|
6370
|
6423
|
8497
|
10447
|
14504
|
13828
|
16092
|
20874
|
||
|
6
|
25
|
1500
|
123
|
260
|
473
|
604
|
858
|
951
|
1476
|
1980
|
2330
|
2891
|
3469
|
5184
|
5018
|
5929
|
6733
|
13095
|
—
|
—
|
|
1000
|
155
|
327
|
522
|
702
|
937
|
1107
|
1589
|
2362
|
2513
|
3489
|
4292
|
5646
|
6390
|
7850
|
9075
|
13157
|
13769
|
15680
|
||
|
750
|
178
|
378
|
545
|
759
|
977
|
1215
|
1645
|
2626
|
2580
|
3891
|
4802
|
5961
|
7174
|
8947
|
10584
|
13963
|
16268
|
18620
|
||
|
500
|
212
|
452
|
583
|
852
|
1031
|
1372
|
1758
|
2979
|
2738
|
4449
|
5557
|
6221
|
8212
|
10417
|
12348
|
14312
|
19208
|
21952
|
||
|
7
|
31.5
|
1500
|
166
|
311
|
469
|
689
|
915
|
1382
|
1431
|
2087
|
1980
|
3116
|
3626
|
6175
|
4910
|
6086
|
7742
|
13276
|
—
|
—
|
|
1000
|
208
|
394
|
512
|
805
|
992
|
1637
|
1566
|
2558
|
2377
|
4087
|
4929
|
6726
|
6507
|
8340
|
10721
|
13918
|
14019
|
17248
|
||
|
750
|
242
|
463
|
542
|
888
|
1047
|
1823
|
1622
|
2871
|
2479
|
4684
|
5664
|
6908
|
7752
|
10016
|
13034
|
14234
|
17052
|
21560
|
||
|
500
|
290
|
553
|
577
|
1000
|
1108
|
2087
|
1713
|
3293
|
2614
|
5419
|
6047
|
7190
|
9016
|
11809
|
15631
|
14741
|
20776
|
27048
|
||
|
8
|
40
|
1500
|
160
|
269
|
502
|
801
|
889
|
1362
|
1566
|
1999
|
2324
|
3254
|
4322
|
5804
|
5841
|
6840
|
9261
|
14391
|
—
|
—
|
|
1000
|
200
|
339
|
549
|
922
|
966
|
1597
|
1713
|
2391
|
2490
|
4126
|
5733
|
6333
|
7722
|
9143
|
12397
|
14865
|
13622
|
17248
|
||
|
750
|
232
|
922
|
583
|
1362
|
1017
|
1999
|
1780
|
3254
|
2608
|
4322
|
7722
|
6592
|
9143
|
10662
|
14602
|
15496
|
16248
|
20678
|
||
|
500
|
399
|
1009
|
626
|
1597
|
1078
|
2391
|
1882
|
4126
|
2742
|
5733
|
8761
|
6829
|
10662
|
12495
|
17179
|
16161
|
19208
|
24990
|
||
|
9
|
50
|
1500
|
147
|
309
|
512
|
716
|
913
|
1352
|
1543
|
2371
|
2434
|
3459
|
4136
|
5646
|
6007
|
7115
|
8085
|
13952
|
—
|
—
|
|
1000
|
184
|
389
|
554
|
826
|
991
|
1578
|
1667
|
2803
|
2608
|
4185
|
5155
|
5995
|
7605
|
7379
|
10878
|
14594
|
16415
|
18816
|
||
|
750
|
212
|
450
|
579
|
905
|
1095
|
1725
|
1746
|
3126
|
2716
|
4635
|
5782
|
6356
|
8624
|
10486
|
12642
|
15101
|
19404
|
22246
|
||
|
500
|
253
|
535
|
626
|
1019
|
1110
|
1950
|
1848
|
3548
|
2885
|
5272
|
6586
|
6581
|
9800
|
12397
|
14798
|
15676
|
22834
|
26068
|
||
注:用于不带风扇的WHX、WHS、WHC时应除以系数KF之值
系数KF
|
n(r/min)
|
i
|
|||
|
≤10
|
710~20
|
720~50
|
750
|
|
|
1500
|
1.45
|
1.4
|
1.35
|
1.30
|
|
1000
|
1.3
|
1.24
|
1.22
|
1.20
|
|
750
|
1.2
|
1.10
|
1.15
|
1.12
|
|
500
|
1.12
|
1.10
|
1.08
|
1.05
|
|
≤300
|
1
|
|||
上一条:WHS圆弧齿蜗轮蜗杆减速机
下一条:WHX圆弧齿蜗轮蜗杆减速机