河北桥星减速机制造有限公司

蜗轮蜗杆减速机-MC多面安装

产品详情

   概述
    多面安装圆弧圆柱蜗杆减速器采用单级蜗杆减速传动,符合企业标准Q/320801  JA008-2003  《多面安装圆弧圆柱蜗杆减速器》。此系列减速器综合了GB/T7935-1999《圆弧圆柱蜗杆减速器》和JB/T6387-1992《轴装式圆弧圆柱蜗杆减速器》的优点,可实现六面安装。全系列有12种中心距,12种速比,输入功率范围在0.395kW-141.9kW之间,输出扭矩在107-16220N·m之间。它与工作机主轴相连有两种型式:①联轴器相连;②直接套装在工作机主轴上。
    多面安装圆弧圆柱蜗杆减速器具有承载能力大、传动效率高、使用可靠、寿命长等优点,可广泛用于冶金、起重、运输、化工、建筑等行业各种机械设备的减速传动,并适用于下列条件:
    a)减速器蜗杆轴转速不超过1500r/min。
    b)减速器工作环境温度-40℃~+40℃,海拔不超过1000m,当环境温度低于0℃时,启动前润  滑油必须加热到0℃以上。
    c)蜗杆轴可正、反向运转。

 1 型号
    MC—多面安装圆弧圆柱蜗杆减速器。
    MSC—多面安装轴装式圆弧圆柱蜗杆减速器。
    MCM—多面安装圆弧圆柱蜗杆减速器电机直联型。
    MSCM—多面安装轴装式圆弧圆柱蜗杆减速器电机直联型。
    2 机型号及传动比
    2.1 减速器型号用中心距表示,中心距及其代号见表1。
表1  中心距及其代号                 单位:mm


2.2 减速器的传动比代号及公称传动比见表2。

表2    公称传动比及其代号
减速器传动比
1
2
3
4
5
6
7
8
9
10
11
12
i
5
6.3
8
10
12.5
16
20
25
31.5
40
50
63
    3 装配型式
    减速器有十八种装配型式见图1。


4 标记方法


5 标记示例
    a MC200-10 Q/320801 JA008-2003
    输入轴为单出轴型多面安装圆弧圆柱蜗杆减速器,中心距a=200mm,传动比i=10。
    b MCM200-10-X-22 Q/320801 JA008-2003
    电机直联型多面安装圆弧圆柱蜗杆减速器,中心距a=200mm,传动比i=10,第十种装配型式,电机输入功率为22kW。
    c MSC200-10-Ⅵ Q/320801 JA008-2003
    输入轴为单出轴型多面安装轴装式圆弧圆柱蜗杆减速器,中心距a=200mm,传动比i=10,第六种装配型式。
    d MSCM200-10-Ⅶ-22 Q/320801 JA008-2003
    电机直联型多面安装轴装式圆弧圆柱蜗杆减速器,中心距a=200mm,传动比i=10,第七种装配型式,电机输入功率为22kW。

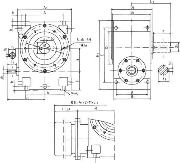
    1 减速器的外形结构见图1。
    2 减速器安装尺寸见表1。


表1   减速器外形尺寸                       单位:mm
尺寸
安装尺寸
输入轴尺寸
输出轴为空心轴尺寸
输出轴尺寸
电机直联
总体尺寸
a
A
B
C
H
h
d5
D
D1
(h8)
d4
h1
d1
b1
t1
l1
L1
d2
(H7)
b2
t2
B2
B3
d3
b3
t3
l­2
L2
M
L5
A1
B1
H1
63
63
134
100
170
60
12
12
102
80
M8
16
19js6
6
21.5
28
128
30
8
33.3
132
140
32k6
10
35
58
135
140
194
126
230
80
80
162
110
235
70
14
12
125
100
M8
16
24js6
8
27
36
151
40
12
43.3
144
150
38k6
10
41
58
143
168
230
138
300
100
100
190
150
245
85
20
14.5
150
120
M10
20
28js6
8
31
42
182
50
14
53.8
184
190
42k6
12
45
82
182
183
270
178
325
125
125
214
170
290
105
25
18
210
180
M12
24
32k6
10
35
58
218
60
18
64.4
210
214
55k6
16
59
82
198
205
314
202
380
140
140
235
190
330
115
25
18
235
200
M12
24
38k6
10
41
58
228
65
18
69.4
232
240
60m6
18
64
105
260
220
325
220
420
160
160
286
200
360
115
25
18
270
220
M12
24
42k6
12
45
82
277
70
20
74.9
240
250
65m6
18
69
105
239
248
386
230
460
180
180
290
206
415
150
35
22
290
245
M16
30
42k6
12
45
82
292
80
22
85.4
270
275
75m6
20
79.5
105
270
284
420
246
545
200
200
320
224
420
148
40
22
320
245
M16
30
48k6
14
51.5
82
324
85
22
90.4
288
290
80m6
22
85
130
280
300
480
264
580
330
225
225
350
255
480
150
40
26
360
265
M16
30
48k6
14
51.5
82
342
95
25
100.4
314
320
90m6
25
95
130
325
325
510
300
640
250
250
400
270
510
150
45
26
420
280
M16
30
55k6
16
59
82
380
105
28
111.4
328
336
100m6
28
106
165
350
390
590
314
680
280
280
460
290
570
165
50
33
450
350
M20
38
60k6
18
64
105
450
115
32
122.4
354
360
110m6
28
116
165
380
460
680
340
790
315
315
530
325
680
195
50
33
520
380
M20
38
65k6
18
69
105
470
125
32
132.4
392
400
120m6
32
127
165
400
490
720
380
870