NGW行星齿轮减速机用途
NGW型系列行星齿轮减速器适用于矿山、冶金、起重运输、纺织、化工、轻工等行业。
NGW行星齿轮减速机特点
(1)重量轻、体积小、在相同条件下比普通圆柱齿轮减速器重量可减轻1/2以上,体积可缩小1/2~1/3。
(2)传动速率高,单级传动可达0.97~0.98,两级可达0.94~0.96,三级可达0.91~0.94.
(3)传动功率范围大,可由小于1千瓦到1300瓦。
(4)运转平稳、噪音小,且耐用、寿命长。
NGW行星齿轮减速机适用条件
(1)高速轴最高转速不得超过1500转/分。
(2)齿轮的圆周速度不得超过10米/秒。
(3)工作环境温度为-40℃~+45℃。
(4)可正反两向运转。

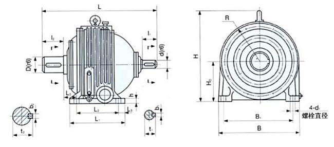
单级减速器型式、尺寸图表
两级减速器型式、尺寸图表

三级减速器型式、尺寸图表

上一条:没有了
下一条:P系列行星齿轮减速机