一、概述
HW型直廓环面蜗杆减速器(JB/T7936一1999)因所采用的环面蜗杆副,其蜗杆轴向截面齿廓为直线,故称其为直廓环面蜗杆(亦称球面蜗杆),与其他各种蜗杆减速器相同,为空间交错轴传动,承载能力和传动效率较高,适用于重载、大功率、大转矩传动,如冶金、矿山、起重、运输、石油、化工、建筑等机械
设备的减速传动。包括HWT、HWB型二种型式。
工作条件:输入、输出轴交错角为90*,蜗杆转速不超过1500r’/min,蜗杆中间平面分度圆滑动速度不超过16m/sl蜗杆轴可正、反向运转t工作环境温度为一40—40℃。当工作环境温度底于0℃时,启动前润滑油必须加热到0℃以上,或采用低凝固点的润滑油;高于40℃时,必须采取冷却措施。
二、型号、中心距、传动比、标记
2.1型号
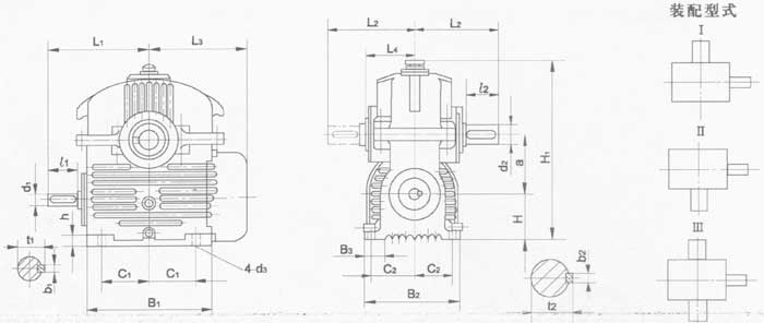
(1)HWT型一蜗杆在蜗轮之上铸造机体和机盖直廓环面蜗杆减速器;
(2)HWB型一蜗杆在蜗轮之下铸造机体和机盖直廓环面蜗杆减速器;
其中T-上置蜗杆;B-下置蜗杆;W-焊接机体和机盖,未注为铸造结构。
2.2 中心距
HWT型减速器外形尺寸及装配形式
|
型 号
|
a
|
B1
|
B2
|
B3
|
C1
|
C2
|
H
|
d1
|
l1
|
b1
|
t1
|
L1
|
|
HWT100
|
100
|
250
|
220
|
50
|
100
|
90
|
140
|
28js6
|
60
|
8
|
31
|
220
|
|
HWT125
|
125
|
280
|
260
|
60
|
115
|
105
|
160
|
35k6
|
80
|
10
|
38
|
260
|
|
HWT160
|
160
|
380
|
310
|
70
|
155
|
130
|
200
|
45k6
|
110
|
14
|
48.5
|
340
|
|
HWT200
|
200
|
450
|
360
|
80
|
185
|
150
|
250
|
55m6
|
110
|
16
|
59
|
380
|
|
HWT250
|
250
|
540
|
430
|
100
|
225
|
180
|
280
|
65m6
|
140
|
18
|
69
|
460
|
|
HWT280
|
280
|
640
|
500
|
110
|
270
|
210
|
315
|
75m6
|
140
|
20
|
79.5
|
530
|
|
HWT315
|
315
|
700
|
530
|
120
|
280
|
225
|
355
|
80m6
|
170
|
22
|
85
|
590
|
|
HWT355
|
355
|
750
|
560
|
130
|
300
|
245
|
400
|
85m6
|
170
|
22
|
90
|
610
|
|
HWT400
|
400
|
840
|
620
|
160
|
315
|
260
|
450
|
95m6
|
170
|
25
|
100
|
660
|
|
HWT450
|
450
|
930
|
700
|
190
|
355
|
300
|
500
|
100m6
|
210
|
28
|
106
|
740
|
|
HWT500
|
500
|
1020
|
760
|
200
|
400
|
320
|
560
|
110m6
|
210
|
28
|
116
|
790
|
|
型号
|
d2
|
l2
|
b2
|
t2
|
L2
|
L3
|
L4
|
H1
|
h
|
d3
|
油量/L
|
重量/kg
|
|
HWT100
|
50k6
|
82
|
14
|
53.5
|
220
|
220
|
120
|
374
|
25
|
16
|
7
|
69
|
|
HWT125
|
60m6
|
82
|
18
|
64
|
240
|
260
|
142
|
430
|
30
|
20
|
9
|
129
|
|
HWT160
|
75m6
|
105
|
20
|
79.5
|
310
|
320
|
177
|
530
|
35
|
24
|
18
|
175
|
|
HWT200
|
90m6
|
130
|
25
|
95
|
350
|
380
|
192
|
640
|
40
|
24
|
38
|
290
|
|
HWT250
|
110m6
|
165
|
28
|
116
|
430
|
440
|
230
|
765
|
45
|
28
|
55
|
490
|
|
HWT280
|
120m6
|
165
|
32
|
127
|
470
|
530
|
255
|
855
|
50
|
35
|
71
|
750
|
|
HWT315
|
130m6
|
200
|
32
|
137
|
500
|
555
|
260
|
930
|
55
|
35
|
95
|
1030
|
|
HWT355
|
140m6
|
200
|
36
|
148
|
530
|
590
|
300
|
1040
|
60
|
35
|
126
|
1640
|
|
HWT400
|
150m6
|
200
|
36
|
158
|
560
|
655
|
310
|
1225
|
70
|
42
|
170
|
2170
|
|
HWT450
|
170m6
|
240
|
40
|
179
|
640
|
705
|
360
|
1345
|
75
|
42
|
220
|
2690
|
|
HWT500
|
180m6
|
240
|
45
|
190
|
670
|
775
|
380
|
1490
|
80
|
42
|
275
|
3410
|
|
型 号
|
a
|
B1
|
B2
|
B3
|
C1
|
C2
|
H
|
d1
|
l1
|
b1
|
t1
|
L1
|
|
HWB100
|
100
|
250
|
220
|
50
|
100
|
90
|
100
|
28js6
|
60
|
8
|
31
|
220
|
|
HWB125
|
125
|
280
|
260
|
60
|
115
|
105
|
125
|
35k6
|
80
|
10
|
38
|
260
|
|
HWB160
|
160
|
380
|
310
|
70
|
155
|
130
|
160
|
45k6
|
110
|
14
|
48.5
|
340
|
|
HWB200
|
200
|
450
|
360
|
80
|
185
|
150
|
180
|
55m6
|
110
|
16
|
59
|
380
|
|
HWB250
|
250
|
540
|
430
|
90
|
225
|
180
|
200
|
65m6
|
140
|
18
|
69
|
460
|
|
HWB280
|
280
|
640
|
500
|
110
|
270
|
210
|
225
|
75m6
|
140
|
20
|
79.5
|
530
|
|
HWB315
|
315
|
700
|
530
|
120
|
280
|
225
|
250
|
80m6
|
170
|
22
|
85
|
590
|
|
HWB355
|
355
|
750
|
560
|
130
|
300
|
245
|
280
|
85m6
|
170
|
22
|
90
|
610
|
|
HWB400
|
400
|
840
|
620
|
140
|
315
|
260
|
315
|
95m6
|
170
|
25
|
100
|
660
|
|
HWB450
|
450
|
930
|
700
|
150
|
355
|
300
|
355
|
100m6
|
210
|
28
|
106
|
740
|
|
HWB500
|
500
|
1020
|
760
|
170
|
400
|
320
|
400
|
110m6
|
210
|
28
|
116
|
790
|
|
型 号
|
d2
|
l2
|
b2
|
t2
|
L2
|
L3
|
L4
|
H1
|
h
|
d3
|
油量/L
|
重量/kg
|
|
HWB100
|
50k6
|
82
|
14
|
53.5
|
220
|
220
|
120
|
373
|
25
|
16
|
3
|
70
|
|
HWB125
|
60m6
|
82
|
18
|
64
|
240
|
260
|
142
|
445
|
30
|
20
|
4
|
132
|
|
HWB160
|
75m6
|
105
|
20
|
79.5
|
310
|
320
|
177
|
560
|
35
|
24
|
8
|
170
|
|
HWB200
|
90m6
|
130
|
25
|
95
|
350
|
380
|
192
|
655
|
40
|
24
|
13
|
280
|
|
HWB250
|
110m6
|
165
|
28
|
116
|
430
|
440
|
230
|
800
|
45
|
28
|
21
|
475
|
|
HWB280
|
120m6
|
165
|
32
|
127
|
470
|
530
|
255
|
910
|
50
|
35
|
27
|
725
|
|
HWB315
|
130m6
|
200
|
32
|
137
|
500
|
555
|
260
|
963
|
55
|
35
|
35
|
1030
|
|
HWB355
|
140m6
|
200
|
36
|
148
|
530
|
590
|
300
|
1082
|
60
|
35
|
48
|
1590
|
|
HWB400
|
150m6
|
200
|
36
|
158
|
560
|
655
|
310
|
1230
|
70
|
42
|
60
|
2140
|
|
HWB450
|
170m6
|
240
|
40
|
179
|
640
|
705
|
360
|
1375
|
75
|
42
|
85
|
2510
|
|
HWB500
|
180m6
|
240
|
45
|
190
|
670
|
775
|
390
|
1510
|
80
|
42
|
110
|
3370
|
上一条:圆弧齿蜗轮蜗杆减速机CWO系列
下一条:KWO锥面包络蜗杆减速机